WIRE
ROPE HOISTS
ULTRA-LOW HEADROOM HOISTS (EE MODELS 1-1.5 TON)
|
|
 |
|
Ultra-Low
Headroom Hoists are designed for
those tight applications when overhead space is
extremely limited. Our Ultra-Low Headroom
Series has some of the lowest headroom hoists
offered in the industry. SATURN hoists meet or
exceed the Performance Standards for Overhead
Electric Wire Rope Hoists as per ASME HST-4
as well as the Safety Standards for Overhead
Hoists as per ASME B30.16. |
|
|
Ultra-Low
Headroom Double-Reeved Hoist |
|
|
|
|
|
STANDARD
FEATURES |
OPTIONAL
FEATURES |
•
Capacities: 1 Ton to 10 Ton
• Lifts: Up to 50Ft
• Low Headroom Design & Components
• ASME Service Classification: H3 Duty
• Suspension Configuration Options
• Worm Gear Drives
• AC/Disc Hoist Brake (150% Motor Torque)
• TENV/30-Min/Inv. Ready (3:1) Hoist Motor
• TEFC/Inverter Ready (5:1) Trolley Motor
• Trolley Speeds: 35 FPM or 60 FPM
• Power Voltages: 230V or 460V-3Ph-60Hz
• Control Voltage: 115V
• NEMA 1 Enclosures (Indoor Service)
• Single Speed Contactor Controls
• Fuses & Thermal Overload Protection
• Upper Paddle Limit Switch
• Temp Rating: 10F to 120F
• Frame Drop Lugs
• Factory Balanced
• Load Tested At 125% Capacity
• Safety Orange Paint
• Heavy Duty/High Quality Construction
• Conforms to NFPA 70 (National Electric Code)
• Conforms to OSHA 1910.179 Safety Standards |
•
Power Voltage: 208V or 575V-3Ph-60Hz
• Narrow/Hardened Wheels
(For Patented Track)
• Upgrades for Heavy Service: H4/H4+ Duty
• Heavy Duty Oil Shear Hoist Brake
• 60-Min/Inverter Duty (10:1) Motors
• Class H Insulated Motors
• VFD Control Packages (2-Speeds)
• 2-Speed Motors/Contactor Controls
• Wired Pendants
• Radio Control System/Warning Light
• Mainline Contactor
• Control Voltage: 24V
• NEMA 4/TENV Motors (Outdoor Service)
• UL/CUL Registered Control Panels
• Hoist Gear Type/Trolley Travel Limit Switches
• Slack Cable Limit Switches
• Heavy Duty Rope Guide System
• Deep Grooved Drums (100% Depth Of Cable)
• Overload Devices
• Warning Devices: Flashing Light/Horn
• Trolley Brake (Precise Positioning)
• Collector Brackets
• Pendant Outrigger Arms
• Encoders (For Automated Operation)
• Bumpers: Rubber/Spring
• Synthetic Oil/Heaters (Operation < 10F)
• Anti-Condensation Heaters
• Steel Weather Covers
• Safety Yellow Paint
• High Temperature Features
• Corrosion Resistant Features
• Spark Resistant Features
|
|
|
NOTE: SEE BELOW FOR MORE DETAILS ON
THE OPTIONS AND PRICES. |
|
|
Standard Feature: Component Parts - Worm Gearing (H & T) Features |
|
|
|
|
|
|
|
 |
|
|
|
|
|
 |
|
|
|
|
|
|
|
HOIST
WORM GEARING |
|
HOIST
WORM GEAR 3D MODEL |
|
|
|
|
|
|
|
|
We
use Worm Gear Drives on all its Wire Rope Hoists, Drive Tractors and Bridge
Crane End Trucks as standard.
Worm Gear Drives are rugged and reliable and offer smooth and quiet operation.
Due to their inherent friction,
Worm Gear Drives also act very similar to brakes by retarding motion.
For that reason,
brakes are generally NOT required on all our Worm Gear Trolleys, Drive
Tractors or End Trucks. Heavy capacity,
high momentum systems operating without VFD controls are sometimes the
exception. In these cases, the trolley or
crane may roll more than the acceptable limit without a brake.
For High-Ratio Worm Gear Hoists,
there are some major advantages over other hoists. |
|
|
|
|
|
|
|
|
•
High-Ratio Worm Gears safely control the lifting load without the need for
a Mechanical Load Brake.
• High-Ratio Worm Gears are inherently Self-Locking thus these hoists
are very capable of acting as 2nd
stopping brake and also holding up a load.
• Worm Gear Hoists have very Low Maintenance as fewer moving parts
lead to fewer repairs
• High-Ratio Worm Gear Hoists Conform to CMAA, ASME and OSHA guidelines |
|
|
|
|
|
|
|
DRAWING |
 |
|
Click the button of the item you wish to purchase. Contact us for special lengths
PRICES
FOR HOISTS |
| ULTRA-LOW
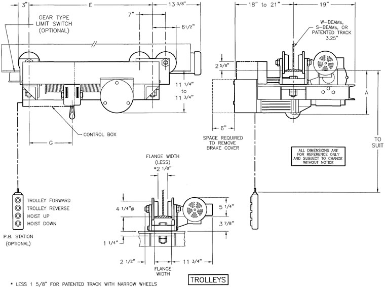
HEADROOM (2PD) HOISTS 1 TO 1.5 TONS (True Vertical Lift) |
Prices |
Model
No. |
Cap.
(lbs.) |
Speed
(FPM) |
Lift
(ft) |
Reeving
Type |
Cable
(Dia) |
Hoist
Motor
(HP @ RPM) |
Head
Room
(A) |
Wheel
Base
(E) |
DIM
(G) |
Weight
(lbs) |
Motorized
Trolley
(MT) |
Plain
Trolley
(PT) |
EE2-1512 |
2,000 |
15 |
12 |
2PD |
1/4 |
2
@ 1200 |
12" |
35
1/4" |
13
3/4 |
750 |
|
|
EE2-1519 |
2,000 |
15 |
19 |
2PD |
1/4 |
2
@ 1200 |
12" |
41
1/4" |
16
3/4" |
825 |
|
|
EE2-1526 |
2,000 |
15 |
26 |
2PD |
1/4 |
2
@ 1200 |
12" |
48
1/4" |
20
1/4" |
900 |
|
|
EE2-1533 |
2,000 |
15 |
33 |
2PD |
1/4 |
2
@ 1200 |
12" |
54
1/4" |
23
1/4" |
975 |
|
|
EE2-1540 |
2,000 |
15 |
40 |
2PD |
1/4 |
2
@ 1200 |
12" |
60
1/4" |
26
1/4" |
1050 |
|
|
EE2-2012 |
2,000 |
20 |
12 |
2PD |
1/4 |
2
@ 1200 |
12" |
32
1/4" |
12
1/4" |
750 |
|
|
EE2-2019 |
2,000 |
20 |
19 |
2PD |
1/4 |
2
@ 1200 |
12" |
37
1/4"" |
14
3/4" |
825 |
|
|
EE2-2026 |
2,000 |
20 |
26 |
2PD |
1/4 |
2
@ 1200 |
12" |
42
1/4" |
17
1/4" |
900 |
|
|
EE2-2033 |
2,000 |
20 |
33 |
2PD |
1/4 |
2
@ 1200 |
12" |
47
1/4" |
19
3/4" |
975 |
|
|
EE2-2040 |
2,000 |
20 |
40 |
2PD |
1/4 |
2
@ 1200 |
12" |
52
1/4" |
22
1/4" |
1050 |
|
|
EE2-3012 |
2,000 |
30 |
12 |
2PD |
1/4 |
3
@ 1800 |
12" |
32
1/4" |
12
1/4" |
750 |
|
|
EE2-3019 |
2,000 |
30 |
19 |
2PD |
1/4 |
3
@ 1800 |
12" |
37
1/4"" |
14
3/4" |
825 |
|
|
EE2-3026 |
2,000 |
30 |
26 |
2PD |
1/4 |
3
@ 1800 |
12" |
42
1/4" |
17
1/4" |
900 |
|
|
EE2-3033 |
2,000 |
30 |
33 |
2PD |
1/4 |
3
@ 1800 |
12" |
47
1/4" |
19
3/4" |
975 |
|
|
EE2-3040 |
2,000 |
30 |
40 |
2PD |
1/4 |
3
@ 1800 |
12" |
52
1/4" |
22
1/4" |
1050 |
|
|
EE3-1512 |
3,000 |
15 |
12 |
2PD |
1/4 |
3
@ 1200 |
12" |
35
1/4" |
13
3/4 |
750 |
|
|
EE3-1519 |
3,000 |
15 |
19 |
2PD |
1/4 |
3
@ 1200 |
12" |
41
1/4" |
16
3/4" |
825 |
|
|
EE3-1526 |
3,000 |
15 |
26 |
2PD |
1/4 |
3
@ 1200 |
12" |
48
1/4" |
20
1/4" |
900 |
|
|
EE3-1533 |
3,000 |
15 |
33 |
2PD |
1/4 |
3
@ 1200 |
12" |
54
1/4" |
23
1/4" |
975 |
|
|
EE3-1540 |
3,000 |
15 |
40 |
2PD |
1/4 |
3
@ 1200 |
12" |
60
1/4" |
26
1/4" |
1050 |
|
|
EE3-2012 |
3,000 |
20 |
12 |
2PD |
1/4 |
3
@ 1200 |
12" |
32
1/4" |
12
1/4" |
750 |
|
|
EE3-2019 |
3,000 |
20 |
19 |
2PD |
1/4 |
3
@ 1200 |
12" |
37
1/4"" |
14
3/4" |
825 |
|
|
EE3-2026 |
3,000 |
20 |
26 |
2PD |
1/4 |
3
@ 1200 |
12" |
42
1/4" |
17
1/4" |
900 |
|
|
EE3-2033 |
3,000 |
20 |
33 |
2PD |
1/4 |
3
@ 1200 |
12" |
47
1/4" |
19
3/4" |
975 |
|
|
EE3-2040 |
3,000 |
20 |
40 |
2PD |
1/4 |
3
@ 1200 |
12" |
52
1/4" |
22
1/4" |
1050 |
|
|
EE3-3012 |
3,000 |
30 |
12 |
2PD |
1/4 |
5
@ 1800 |
12" |
32
1/4" |
12
1/4" |
750 |
|
|
EE3-3019 |
3,000 |
30 |
19 |
2PD |
1/4 |
5
@ 1800 |
12" |
37
1/4"" |
14
3/4" |
825 |
|
|
EE3-3026 |
3,000 |
30 |
26 |
2PD |
1/4 |
5
@ 1800 |
12" |
42
1/4" |
17
1/4" |
900 |
|
|
EE3-3033 |
3,000 |
30 |
33 |
2PD |
1/4 |
5
@ 1800 |
12" |
47
1/4" |
19
3/4" |
975 |
|
|
EE3-3040 |
3,000 |
30 |
40 |
2PD |
1/4 |
5
@ 1800 |
12" |
52
1/4" |
22
1/4" |
1050 |
|
|
|
**NOTES**
1. BASIC SINGLE SPEED (NEMA 1) CONTROLS (STANDARD); REV. CONTACTORS, TRANSFORMER
& TERMINAL STRIP
2. HOIST MOTOR THERMOSTAT (AS STANDARD)
3. PENDANT AND FURTHER MOTOR/CIRCUIT PROTECTION (ARE OPTIONAL - SEE HOIST
ACCESSORIES & OPTIONS)
4. FOR (NO) CONTROLS WITH WIRED J-BOX (NEMA 1) & BALANCED HOIST - SAME
PRICE
5. INDOOR OPERATION (AS STANDARD)
6. 230V OR 460V-3PH-60HZ (AS STANDARD)
7. TROLLEYS BUILT TO FIT S-BEAM, W-BEAM OR PATENTED TRACKS (AS STANDARD)
8. MOTORIZED TROLLEYS PROVIDED AT 35 OR 58 FPM (AS STANDARD)
9. GEAR TYPE LIMIT SWITCH (AS STANDARD) FOR LIFTS 37 FT & OVER |
|
Optional
Feature: Component Parts -
Control Packages (Hoist, Trolley, Crane) |
|
|
|
|
|
 |
|
|
|
 |
|
|
|
|
|
|
|
Custom
Control Panels |
|
|
|
|
Panel
With VFD Hoist and Trolley Controls |
|
|
|
|
|
|
|
|
|
 |
|
|
|
We
offer various Control Packages for all our Hoist and
Crane Equipment. Whether it is Standard or Custom, we
can build the control panel of your choice.
(VFD) Control Packages are
slowly becoming very
popular and are almost standard on all new equipment
these days. The benefits of (VFD) Controls by far out-
weigh its initial costs. (VFD) Controls allow the operator
to precisely and safely control the load. Acceleration
and deceleration rates and 2-speed control limits are all
set to best support the given application. Any wear in-
duced on mechanical parts over time when using (VFD)
Controls is much less.
|
|
|
|
|
|
Custom
Controls With Radio |
|
|
|
|
|
|
|
|
| Please
see our photos for further reference on our control panels. |
|
Optional
Feature: Component Parts - Overload Limit Switch |
|
|
|
 |
|
|
|
We offer an Overload
Limit Switch that is mounted
underneath one of our trolleys as an OPTION. This
Overload Limit Switch can be purchased with a
NEW hoist or for an EXISTING hoist and installed
in the field with minimal effort. This switch is adjusted
within 5% and there is no loss of headroom.
|
|
|
|
|
|
Overload
Limit Switch Trolley Mounted |
|
|
|
Optional
Feature: Wire Rope Hoists -
Special Environments - Explosion Proof |
|
|
|
|
|
|
|
|
|
|
|
|
|
 |
|
|
|
 |
|
|
|
|
|
|
|
|
|
|
|
|
|
|
|
Explosion
Proof Hoist |
|
|
Trolleys
with Explosion Proof Motors
and Bronze Wheels |
|
|
|
|
|
|
|
|
|
|
|
|
|
|
|
|
|
|
|
|
|
|
|
 |
|
|
|
|
|
|
|
|
|
|
|
|
|
 |
|
|
|
|
|
|
|
|
Explosion
Proof Tractor with Bronze Wheels |
Explosion
Proof Hoist with Spark Resistant
Features & Overload Limit Switch |
|
|
|
|
|
|
|
|
|
|
|
|
|
|
|
|
|
|
|
|
|
 |
|
|
|
|
|
|
|
|
|
|
|
|
Machines
are designed in accordance with our interpretation of the specifications
of
the National Electric Code, Underwriters Laboratory and Factory Mutual but
are
NOT tested by them, nor do they carry their label as a whole. However, most
of the
Individual Electrical Components do carry an Underwriters Laboratory (UL)
Label.
Please NOTE; the full responsibility
for determining the existence and severity of a
hazard in a specific area rests with the (Authority) responsible for enforcing
that code.
Additional NOTES: |
|
|
|
|
|
|
|
|
|
|
|
|
|
|
•
Machines are available for Class I (Vapors): Groups C & D and Class
II
(Dusts): Group E, F & G (As Division 1 or 2)
• We use TENV motors as standard on all Division 2 applications (With
Contained Hazard) as permitted by NEC code.
• Any requirements for Spark Resistant Features in severe hazardous
environments lies with the (Authority)
• Spark Resistant Features generally include Stainless Steel Wire Rope,
Bronze Trolley Wheels and Bronze Hook and/or Complete Block. |
|
|
|
|
|
Explosion
Proof Pendant Station |
|
|
|
|
|
|
|
|
|
Please
see our photos for further
product and component reference.
|
|
|
|
|
|
|
|
|
|
|
|
|
|
|
|
|
|
|
|
|
|
|
Optional
Feature: Custom Hoists - Hoists for Corrosive Environments |
|
|
|
|
|
|
|
 |
|
|
 |
|
|
|
Stainless
Steel
Pendant Station |
|
|
|
|
Hoist
& Tractor for Corrosive Environment with S.S. Enclosure and Epoxy
Finish |
|
|
|
|
|
|
|
|
|
|
|
|
|
This
equipment is for use in Corrosive Environments. Outdoor, Marine and Dipping
applications are some of the
most typical. Stainless Steel Components and Epoxy Paint are the common
features. |
|
|
|
|
|
|
|
| Please
see our photos for further reference. |
|
|
Optional
Feature: Custom hoists - High Temp/Hot
Metal Hoists |
|
|
|
|
|
|
|
|
|
|
 |
|
 |
|
|
|
|
EXTRA
HEAVY DUTY TRACTOR WITH
HIGH TEMP FEATURES INCLUDING
STEEL DRIVE WHEEL |
|
|
|
HOT METAL
HOIST |
|
|
|
|
Dependent
upon the severity of the application, we offer many
different features some of which are printed as guidelines by
CMAA, ASME and ASTM publications. |
|
|
|
|
|
|
Please
see our Equipment Photos as well
as a list of Hot Metal Hoist Features for
further reference. |
|
|
|
|
|
|
|
|
|
HOT METAL
HOIST FEATURES |
|
|
|
|
|
|
•
Worm Gear Drive (As 2nd Braking Mechanism).
• Power Circuit Limit Switch.
• Gear Type (Upper & Lower) Limit Switch.
• Wire Rope with IWRC and 8:1 Safety Factor.
• Hoist Frame Mounted Safety Lugs.
• Rotating Light and /or Warning Bell for Trolley Motion.
• Heat/Splatter Shield under Hook Block.
• Heat Shields under Hoist and Trolley Drive Units.
• Class H Insulation for Hoist and Trolley Motors.
• NEMA 12 Enclosures.
• High Temp Internal Wiring. |
•
High Temp External Wiring with Metal Conduit.
• Magnetic Mainline Contactor.
• Motor Thermostats or Thermal Overload Relays.
• Branch Circuit Fuses.
• NEMA 12 Pendant with Metal Enclosure and Fire
Sleeve Cord Cover.
• High Temperature Oil in Reducers.
• High Temperature Grease in all Bearings.
• Rubber Bumpers.
• Oversized Hook Hook Throat Opening and Radius
shall allow ladle bail to fit firmly in the bowl of the hook. |
|
Optional
Feature: Custom Hoists - Hoist and Tractor
Combinations |
|
|
|
|
|
|
|
 |
|
For
superior trolley performance utilize a Hoist & Tractor
Combination.
The consistently POSITIVE
action of a drive tractor
will generally out-perform a standard motorized trolley
in many monorail applications.
By combining a drive tractor
with your hoist, you will
better negotiate curves, ride up inclines and will eliminate
nuisance slipping in many severe working environments.
Furthermore, the inherent beam tension of a drive tractor
can also serve to RESIST motion in certain applications
particularly when load swing or side-pull present motion
issues.
|
|
|
|
|
|
|
|
|
|
|
|
Rope
Guide Hoist with Tractor Drive |
|
|
Please
see our photos for some examples.
|
|
|
|
|
|
|
|
|
|
|
|
 |
|
 |
|
|
|
|
|
|
|
|
|
|
|
|
|
Twin Hook
Hoist with Tractor Drive for
Outdoor Use on Curved Monorail |
|
Semi-Low
headroom Hoist with Tractor Drive |
|
|
|
|
|
|
|
|
|
Click the button of the item you wish to purchase. Contact us for special lengths
HOIST
ACCESSORIES AND CONTROL OPTIONS PRICES |
|
DESCRIPTION |
PRICES |
FOR COMPLETE MOTOR & CIRCUIT PROTECTION |
|
Hoist & Trolley B. C. Fuses, TOL'S or T'STATS & Transformer
Fuses (P & S) |
|
SELECTIVE MOTOR & CIRCUIT PROTECTION ITEMS |
|
Branch Circuit Fuses - Hoist (or) Trolley (Each Branch) |
|
Thermal Overload Motor Protection (Each Motor) |
|
Motor Thermostat (1/3 HP Motor - Only) |
|
Transformer Fuses - (2) Primary & (1) Secondary |
|
PENDANT - WIRED INTO HOIST CONTROLS WITH UP TO 16 FT OF CHAIN DROP |
|
2-Button Station |
|
4-Button Station |
|
6-Button Station |
|
8-Button Station |
|
CONTROL ACCESSORIES - ITEMIZED |
|
Electronic (Trolley) Soft Start - Up to 4 AMPS (208/230/460V) |
|
Mainline Contactor (15 AMP) - Includes 100VA Transformer |
|
Mainline Contactor (30 AMP) - Includes 100VA Transformer |
|
NEMA 12 Enclosure - (Dust Tight) |
|
NEMA 4 Enclosure - (Water Tight) |
|
Rotary Manual Disconnect (30 AMP) |
|
Gear Type Limit Switch (2-Element) |
|
Gear Type Limit Switch (4-Element) |
|
VARIABLE FREQUENCY DRIVES (VFD) - HOIST
(INCLUDES P.E. DRIVE, FUSE PROTECTION & BRAKE CONTACTOR) |
|
2HP (230/460V) |
|
3HP (230/460V) |
|
4-5HP (230/460V) |
|
6-7HP (230/460V) |
|
10HP (230/460V) |
|
15HP (460V Only) |
|
20HP (460V Only) |
|
INVERTER DUTY - HOIST MOTOR (REQUIRED FOR LOW OPERATING SPEEDS -
VFD SET UNDER 20 HZ) |
|
2HP to 10HP (1800 RPM) |
|
2HP to 6HP (1200 RPM) |
|
7-1/2HP (1200) |
|
VARIABLE FREQUENCY DRIVE (VFD) - TROLLEY (INCLUDES PE DRIVE WITH
FUSE PROTECTION) |
|
1HP (230/460V) |
|
2HP (230/460V) |
|
3HP (230/460V) |
|
INVERTER DUTY - TROLLEY MOTOR (REQUIRED FOR LOW OPERATING SPEEDS
-
VFD SET UNDER 15 HZ |
|
1/3HP |
|
1/2HP |
|
3/4HP |
|
1HP |
|
1-1/2HP |
|
TENZ MOTOR - TROLLEY (FOR OUTDOOR, WET OR VERY DIRTY ENVIRONMENTS) |
|
1/3HP |
|
1/2HP |
|
3/4HP |
|
1HP |
|
1-1/2HP |
|
BRAKE - TROLLEY |
|
Up to 1/2HP (STD Housing) |
|
Up to 1HP (STD Housing) |
|
Up to 1/2HP (NEMA 4 - Sealed Housing) |
|
Up to 1HP (NEMA 4 - Sealed Housing) |
|
|
|
| For
other options please contact us. |
|
|
|
Saturn Wire Rope Hoists,
Ultra-Low Headroom Hoists, Single Hook Monorail Hoists, Electric Hoists,
Powered Wire
Rope Hoists, Worm Gear Trolley, I Beam Hoists, Ultra-Low Headroom Trolley
Hoist, Worm Gear Hoists, and Electric
Wire Rope Hoists from your source for material handling equipment. |
|